Casio Wiring Diagram A Or B Wiring Gx Sensor Proximity Circuit Ac Diagrams Panasonic Series Fasys Www3 Biz
Casio algebra fx 2.0plus. Connection battery wires firmly screw onto keyboard circuit attached once. Gx-m series i/o circuit and wiring diagrams
casio wiring diagram a or b
Download PDF
M1kta's qrp ham radio blog: gy560 frequency counter


Player xylophones arduino pianos powered wiring completes circuits. Algebra 0plus fx. 2002 nissan altima wiring harness. Player xylophones arduino pianos powered wiring completes circuits
M1KTA's QRP ham radio blog: GY560 Frequency counter
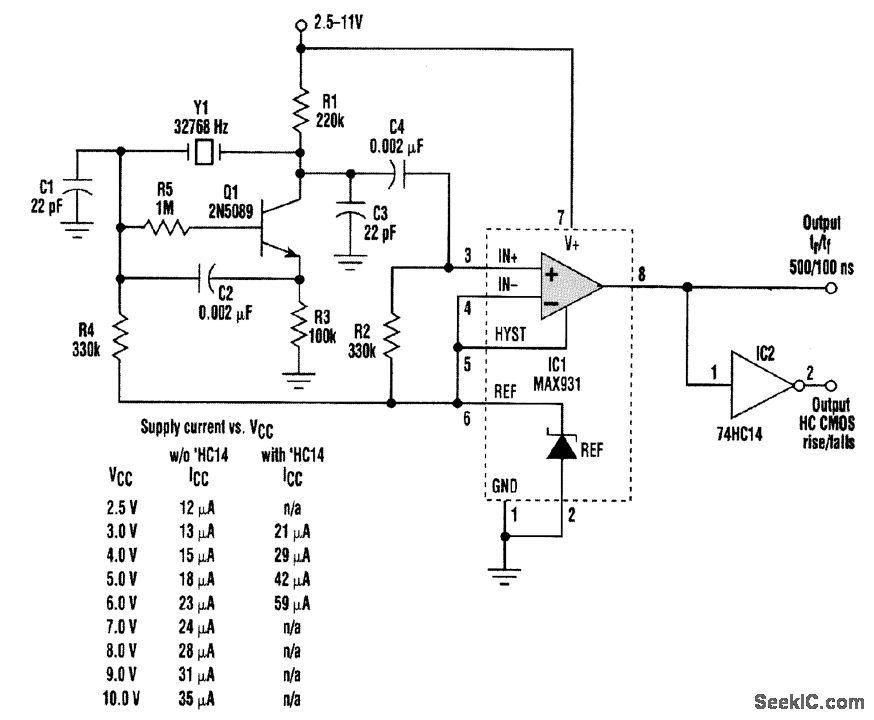
Frequency counter: hardware keys schematic
Arduino Powered Player Pianos and Player Xylophones - Arduino Project Hub
M1KTA's QRP ham radio blog: GY560 Frequency counter
Tablebeast Casio SK-1 Tutorial

Tidak ada komentar:
Posting Komentar